云开·体育appkaiyun 乡村光伏诈骗:农民受骗,光伏发电补贴沦为骗子私有乡村光伏诈骗愈演愈烈,农民成骗子“提款机”,补贴化为乌有最近啊,乡村光伏成了个热门话题。不过啊,这光伏可不是啥好事儿,而是...
kaiyun开云官方网站 重磅!自然资源部明确光伏用地指标!
kaiyun开云官方网站 重磅!自然资源部明确光伏用地指标!2、节约用地原则光伏发电站工程项目建设用地,在满足安全运行、方便管理等条件下,综合考虑光能利用、土地集约、工程投资、环境保护等,采用先进工艺...
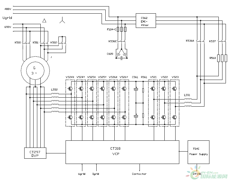
开云官方app下载站 简述双馈式异步风力发电机基本工作原理
开云官方app下载站 简述双馈式异步风力发电机基本工作原理简述双馈式异步风力发电机基本工作原理,双馈式异步发电机属于绕线型电机的一种,分析其基本构成,均由定子以及转子两大基础结构组成,通过将定子和转子...
开云手机平台 风力发电机发电原理?
开云手机平台 风力发电机发电原理?风力发电机的原理是将风能转换为机械能,机械能转换为电能的电力设备。广义地说,它是一种以太阳为热源,以大气为工作介质的热能利用发动机。风力发电利用的是自然能源。相对柴油...
云开·体育appkaiyun 1-6月份,全国各地光伏补贴政策汇总
云开·体育appkaiyun 1-6月份,全国各地光伏补贴政策汇总在分布式光伏的突飞猛进的同时,“补贴”依然是最振奋人心的、刺激市场的有效途径之一。据卡片光伏统计,今年以来,多地下发了分布式光伏补贴政...
